Menu
- Nyple / Złącza / Adaptery - gwinty zewnętrzne(268)
- Mufy / Półmufy - gwinty wewnętrzne(353)
- Redukcje / Przedłużki żeliwne(46)
- Zwężki / Redukcje(237)
- Złączki z pierścieniem zacinającym(14)
- Kolana i łuki(393)
- Czwórniki(22)
- Trójniki(181)
- Korki stalowe, żeliwo, mosiądz(152)
- Zaślepki(67)
- Króćce / Nyple rurowe / Sztucery(185)
- Końcówki na wąż / króćce(90)
- Śrubunki / Holendry / Dwuzłączki(162)
- Sockolet / Weldolet / Threadolet / Boss / Elbolet / Couplet(139)
- Przyłącza pomiarowe(4)
- Rury(58)
- Kołnierze stalowe(146)
- Zawory / przepustnice(162)
- Uszczelnienia(494)
- Tuleje ślizgowe / Tarcze ślizgowe(209)
- Kształtki kielichowe Socket Weld(163)
- Siłowniki mieszkowe - zawieszenie(41)
- Kasety sterownicze - piloty - stacje kontroli(238)
- Wyłączniki krańcowe(69)
- Elektronika(17)
- Blachy(1)
- Aparatura pomiarowa(4)
- Potencjometry(26)
- BRAHMA(9)
- Osprzęt(18)
- Artykuły budowlane(7)
- Nawadnianie ogrodu(5)
- Narzędzia i towary FACOM(14)
- Maseczki ochronne(14)
- Śruby i smarowniczki(27)
- Opakowania(3)
- Pozostałe towary(62)
- Dennice(16)
- Wywijki stalowe i króćce do kołnierzy(9)
- Upłynnienia(8)
- Książki w języku ukraińskim(2)
Nowości
Promocje
Zaloguj się
Produkt dnia
379,50 zł
308,54 zł
5,54 zł
4,50 zł
1,25 zł
1,02 zł
16,81 zł
13,67 zł
Mufa 1 1/4" socket weld 316L kl.3000
Cena regularna:
Cena regularna:
towar niedostępny
dodaj do przechowalni
Opis
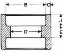
Mufa 1 1/4" socket weld 316L kl.3000
- rozmiar: 1.1/4''
- wymiar B wynosi: 42,7mm-43,1mm
- mufa pasuje na rurę DN32 = 42,4mm
- klasa ciśnieniowa: 3000lbs tj. 206bar
- kształtki kielichowe do wspawania wg normy ANSI B16.11
- gatunek: stal nierdzewna 316L (inna nazwa 1.4404)
- stal do spawania
- zastosowanie mufy SW: kotły, instalacje wysokociśnieniowe, instalacje na wysokie temperatury, rafinerie, przemysł morski, hutnictwo
- atest 3.1 na życzenie klienta (bezpłatny)
- pochodzenie: Unia Europejska


Inna nazwa: Mufa 1 1/4" socket weld 316L kl.3000 stal nierdzewna kielichowa stalowa do spawania łącznik mufowy do rur SW coupling do połączenia rur16
Informacje
Mufa 1 1/4'' socket weld 316L kl.3000 - należy do grupy „złączek wysokociśnieniowych”, gdzie rura jest spawana we wpuście (kieszeni). Kieszeń zespawana z rurą tworzy szczelną strukturę instalacji. System Socket Weld (SW) gwarantuje bezpieczeństwo, trwałość oraz nierozerwalność instalacji. Dzięki kształtkom SW łatwo możemy dobrać ciśnienie instalacji. Każda kształtka ma wybity rozmiar, gatunek, wytop oraz klasę ciśnieniową. Wszystkie kształtki SW posiadają atesty 3.1.
Zalety: rura nie wymaga fazowania do spawania. Kształtki Socket Weld nie wymagają specjalnych przygotowań, są alternatywą dla złączek gwintowanych.
Ocechowanie: każda kształtka ma wybity rozmiar, gatunek, wytop oraz klasę ciśnieniową. Czasem również rodzaj gwintu (wykonanie i ocechowanie jest zgodne z obowiązującymi normami).
Gatunek stali 316 / 316L – to bardzo popularna stal nierdzewna o wysokiej odporności na korozję. Ma doskonałe właściwości spawalnicze i formujące.
Inna nazwa stali 316: DIN 1.4401 1.4404 SS 316 AISI316 AISI316L SS316 SS316L
Zastosowanie stali 316: wymienniki ciepła, urządzenia farmaceutyczne, mleczarskie, przemysł browarniczy, armatura morska, przybrzeżna architektura, przemysł spożywczy.
Zalety gatunku 316 / 316L: stal niemagnetyczna, znakomita ciągliwość, znakomita udarność, doskonała spawalność, dobra wytrzymałość, szeroki zakres temperatury pracy
Dostępne inne rozmiary: 1/8’’ – ¼’’ - 3/8’’ - ½’’- ¾’’ – 1’’ – 1 ¼’’ – 1 ½’’ – 2’’ – 2 ½’’ – 3’’ – 3 ½’’ - 4’’
Więcej o mufach kielichowych znajdziesz tutaj>>
Na zamówienie dostępne są również inne wymiary muf socket weld SW. Jeśli masz pytania, skontaktuj się z nami. Zadzwoń na nr tel. 63/2614202 lub prześlij zapytanie na email: biuro@polberis.pl.
Produkty powiązane
Mufa 1 1/2" socket weld A105 kl.3000
Mufa 1" socket weld A105 kl.3000
Mufa 1" socket weld 316L kl.3000
- mufa do spawania
- atest 3.1
- pochodzenie: Unia Europejska
Mufa 1/2" socket weld A105 kl.3000
- mufa do spawania
- łącznik do spawania rur
- atest 3.1
Mufa 1/4" socket weld A105 kl.3000
- mufa do spawania rur
- atest 3.1
Mufa 3/4" socket weld A105 kl.3000
- mufa do spawania rur
- atest 3.1
Mufa 3/8" socket weld A105 kl.3000
- mufa do spawania rur
- atest 3.1
Mufa 1 1/2'' -2'' socket weld A105 kl.3000
- mufa do spawania
- łącznik do spawania rur
- atest 3.1
Mufa 1''- 1 1/2'' socket weld A105 kl.3000
- mufa do spawania
- łącznik do spawania rur
- atest 3.1
Mufa 1''- 1 1/4'' socket weld A105 kl.3000
- mufa do spawania
- łącznik do spawania rur
- atest 3.1
Mufa 1''-1/2'' socket weld A105 kl.3000
- mufa do spawania
- łącznik do spawania rur
- atest 3.1
Mufa 1'' - 1/2'' socket weld A350 LF2 kl.3000
Mufa 1''-3/4'' socket welt A105 kl.3000
- mufa do spawania
- łącznik do spawania rur
- atest 3.1
Mufa 3/4''-1 1/2'' socket weld A105 kl.3000
- mufa do spawania
- łącznik do spawania rur
- atest 3.1
Trójnik 3'' socket weld A105 kl.3000
- trójnik do spawania
- atest 3.1
Trójnik 3/4'' socket weld A105 kl.3000
- trójnik do spawania
- atest 3.1
Kolano 1 1/2" socket weld A105 kl.3000 45st.
- łącznik do spawania rur
- atest 3.1
Kolano 1 1/2" socket weld A105 kl.3000 90st.
Kolano 1 1/4" socket weld A105 kl.3000 45st.
- łącznik do spawania rur
- atest 3.1
Kolano 1 1/4" socket weld A105 kl.3000 90st.
Kolano 1" socket weld A105 kl.3000 90st.
- kolano do łączenia rur
- atest 3.1
Kolano 1" socket weld A105 kl.3000 45st.
- łącznik do spawania rur
- atest 3.1
Kolano 1/2" socket weld A105 kl.3000 45st.
Kolano 1/2" socket weld A105 kl.3000 90st.
Kolano 1/4" socket weld A105 kl.3000 90st.
- kolanko do spawania
- atest 3.1 (bezpłatny)
- pochodzenie: Unia Europejska
Kolano 2" socket weld A105 kl.6000 90st.
Kolano 2" socket weld A105 kl.3000 45st.
- łącznik do spawania rur
- atest 3.1
Kolano 2" socket weld A105 kl.3000 90st.
Kolano 3" socket weld A105 kl.3000 45st.
- łącznik do spawania rur
- atest 3.1
Kolano 3" socket weld A105 kl.3000 90st
Kolano 3/4" socket weld A105 kl.3000 45st
Kolano 3/4" socket weld A105 kl.3000 90st.
Kolano 3/8" socket weld A105 kl.3000 90st.
Śrubunek 1'' socket weld A105 kl.3000
- śrubunek wysokociśnieniowy do spawania
- atest 3.1
- pochodzenie: Unia Europejska
Śrubunek 1/2'' socket weld A105 kl.3000
- śrubunek wysokociśnieniowy do spawania
- atest 3.1
- pochodzenie: Unia Europejska
Śrubunek 2'' socket weld A105 kl.3000
- śrubunek wysokociśnieniowy do spawania
- atest 3.1 (bezpłatny)
- pochodzenie: Unia Europejska
Śrubunek 3/4'' socket weld A105 kl.3000
- śrubunek wysokociśnieniowy do spawania
- atest 3.1
- pochodzenie: Unia Europejska
Trójnik 1 1/2'' socket weld A105 kl.3000
- trójnik do spawania
- rozmiar: 3/2''
- atest 3.1
Trójnik 1 1/4'' socket weld A105 kl.3000
- trójnik wysokociśnieniowy
- atest 3.1
Trójnik 1 1/2'' x 3/4'' socket weld A105 kl.3000
- trójnik do spawania rur
- stal kotłowa
- atest 3.1
- pochodzenie: Unia Europejska
Trójnik 1 1/2''x1'' socket weld A105 kl.3000
- trójnik do spawania rur
- stal kotłowa
- atest 3.1
- pochodzenie: Unia Europejska
Trójnik 1 1/4'' socket weld 316L kl.3000
- trójnik do spawania
- stal nierdzewna
- atest 3.1
- pochodzenie: Unia Europejska
Trójnik 1 1/4''x1'' socket weld A105 kl.3000
- trójnik do spawania rur
- stal kotłowa
- atest 3.1
- pochodzenie: Unia Europejska
Trójnik 1 1/4'' x 3/4'' socket weld A105 kl.3000
- trójnik do spawania rur
- stal kotłowa
- atest 3.1
- pochodzenie: Unia Europejska
Trójnik 1''x3/4'' socket weld 316L kl.3000
- trójnik redukcyjny do wysokiego ciśnienia
- atest 3.1
- pochodzenie: Unia Europejska
Trójnik 1''x3/8'' socket weld 316L kl.3000
- trójnik redukcyjny do wysokiego ciśnienia
- atest 3.1
- pochodzenie: Unia Europejska
Trójnik 1" socket weld A105 kl.3000
Trójnik 1/2'' socket weld 316L kl.3000
- kształtka do łączenia rur
- atest 3.1
Trójnik 1/2'' socket weld A105 kl.3000
Trójnik 1/4'' socket weld A105 kl.3000
- trójnik do spawania
- atest 3.1
Trójnik 2'' socket weld A105 kl.3000
- trójnik do spawania
- atest 3.1
Kolano 1 1/4'' nierdzewne gat. 316 nyplowe WZ
Mufa 1 1/2'' BSP stal nierdzewna 316
- mufa kwasoodporna 3/2''
Mufa 1'' NPT stal nierdzewna AISI 316
Mufa 3/4'' NPT 316L 413bar
- klasa ciśnieniowa: 6000lbs (tj. 413bar)
- atest 3.1
- pochodzenie: Unia Europejska
Nypel 1'' BSP - BSPT stal nierdzewna 316 adapter złączka G1''
Nypel 1/2'' nierdzewny 316
Nypel 3/4'' nierdzewny 316
Nypel nierdzewny 1/2''x1/8'' stal 316
- złączka gwintowana nierdzewna
Złącze camlock 8'' z kołnierzem typ LAS
Kolano hamburskie 76,1 x 4 gat. 1.4301 nierdzewne 304
Korek 1 1/4'' NPT nierdzewny 304L
Mufa 1 1/4'' NPT 304L kl.3000
- mufa ze stali nierdzewnej
- do wysokiego ciśnienia: 206bar
- atest 3.1
- pochodzenie: Unia Europejska
Mufa redukcyjna 1'' x 1.1/2'' NPT 3000 304 stalowa
Mufa red. 3/4'' x 1'' NPT gat. 304L
Mufa redukcyjna 3/4" - 1'' socket weld 316L kl. 3000
Mufa 1''x1 1/4'' socket weld 316L kl. 3000
Mufa 1 1/4''-1 1/2'' socket weld A105 kl.3000
- mufa do spawania
- łącznik do spawania rur
- atest 3.1
Mufa 1 1/2'' BSP A105 kl.3000
- mufa do spawania
- wysokociśnieniowa do 206bar
- atest 3.1
Mufa 1 1/2'' NPT A105 kl.3000
- mufa do spawania
- wysokociśnieniowa
- atest 3.1 (bezpłatny)
Mufa 1 1/2'' stalowa do spawania
Mufa 1 1/2'' żeliwo ocynk
Mufa 1 1/4'' NPT A105 kl.3000
- mufa do spawania
- wysokociśnieniowa
- atest 3.1
Mufa 1 1/4'' żeliwo ocynk
Mufa 1 1/2'' NPT 304L kl.3000
- mufa ze stali nierdzewnej
- do wysokiego ciśnienia: 206bar
- atest 3.1
- pochodzenie: Unia Europejska
Mufa 1 1/2'' NPT 316L kl.3000
- mufa ze stali nierdzewnej
- do wysokiego ciśnienia: 206bar
- atest 3.1
- pochodzenie: Unia Europejska
Mufa 1'' BSP 316L kl.3000 206bar
- mufa wysokociśnieniowa (206bar)
- atest 3.1
Mufa 1'' BSP A105 kl.3000
- mufa do spawania
- wysokociśnieniowa do 206bar
- atest 3.1
Mufa 1'' BSPT A105 kl.3000 stalowa
- stal kotłowa do spawania
- gwint stożkowy BSPT (wg. ISO7Rc)
- do wysokiego ciśnienia 206bar
- atest 3.1
Mufa 1'' 316L NPT kl.3000
- mufa wysokociśnieniowa (206bar)
- stal nierdzewna
- atest 3.1
Mufa 1'' NPT 304L kl.3000
- mufa ze stali nierdzewnej
- do wysokiego ciśnienia: 206bar
- atest 3.1
- pochodzenie: Unia Europejska
Mufa 1'' stalowa do spawania
Mufa 1'' NPT A105 kl.3000
- mufa do spawania
- wysokociśnieniowa
- atest 3.1
Króciec nierdzewny 3/8'' 100mm
Mufa 3/8''-3/4'' socket weld A105 kl.3000
- mufa do spawania
- łącznik do spawania rur
- atest 3.1
Mufa 3/8''-1/2'' socket weld A105 kl.3000
- mufa do spawania
- łącznik do spawania rur
- atest 3.1
Kołnierz płaski DN80/85 01B 316L
Korek 1'' NPT stal nierdzewna 316L
Korek 1/2'' NPT stal nierdzewna 316L
Korek 1/4'' NPT stal nierdzewna 316L
Korek 2'' NPT stal nierdzewna 316L
Korek 3/4'' NPT stal nierdzewna 316L
Mufa 1/2'' 316L NPT kl.3000
- mufa wysokociśnieniowa (206bar)
- stal nierdzewna
- atest 3.1
Mufa 1/4'' 316L NPT kl.3000
- atest 3.1
- pochodzenie: Unia Europejska
Mufa 1/8'' 316L NPT kl.3000
- mufa wysokociśnieniowa (206bar)
- stal nierdzewna
- atest 3.1
Mufa 2'' NPT 316L kl.3000
Mufa 3'' NPT 316L kl.3000
- mufa wysokociśnieniowa
- atest 3.1
Mufa 3/4'' 316L NPT kl.3000
- mufa wysokociśnieniowa (206bar)
- stal nierdzewna
- atest 3.1
Mufa 3/8'' 316L NPT kl.3000
- mufa wysokociśnieniowa (206bar)
- stal nierdzewna
- atest 3.1
Sockolet 3/4" x 2'' - 2 1/2'' 316L kl. 3000
Śrubunek 1'' NPT 316L kl.3000
- uszczelnienie: stożkowe (metal-metal)
- gatunek: 316L (1.4404)
- towar z atestem 3.1
Uszczelka DN25 PN10/40 EN1514-2 EG 316L spiralna Spiral Wound Gasket
- ciśnienie: PN40
- temperatura: – 110*C do + 450*C
- uszczelka spiralna: stal węglowa / grafit / taśma kwasoodporna
Uszczelka DN25 PN100 Spiral Wound Gasket 316L / 316L + Graphite / 316L EN1514-2 spiralna kwasoodporna stalowa, grafit
- ciśnienie: PN100
- temperatura: max. 100 °C
- uszczelka spiralna kwasoodporna
Uszczelka DN40 PN10/40 EN1514-2 EG 316L spiralna Spiral Wound Gasket 316L/316L+FG/316L
- ciśnienie: PN10 - PN40
- temperatura: – 110*C do + 450*C
- uszczelka spiralna: stal nierdzewna / grafit / taśma kwasoodporna
Mufa redukcyjna 1/2'' x 1 1/2'' NPT 3000 A105 stalowa
- ciśnienie: 260 bar
- atest 3.1
Mufa 1 1/4" socket weld A105 kl.3000
Trójnik 1''x1/2'' socket weld A105 kl.3000
- trójnik do spawania
- atest 3.1
Mufa 1/2'' BSP 316L kl.3000 206bar
- mufa wysokociśnieniowa (206bar)
- atest 3.1
- pochodzenie: Unia Europejska
Śrubunek 3/8'' socket weld 316L kl.3000
- śrubunek do spawania
Półmufa 1/4" NPT 206bar A105
Uszczelka DN32 PN10/16 EN1514-2 EG 316L spiralna Spiral Wound Gasket
- ciśnienie: PN10/16
- temperatura: – 110*C do + 450*C
- uszczelka spiralna: stal węglowa / grafit / taśma kwasoodporna
Uszczelka DN50 PN10/40 EN1514-2 EG 316L spiralna Spiral Wound Gasket stalowa stal nierdzewna
- ciśnienie: PN10/40
- temperatura: – 110*C do + 450*C
- uszczelka spiralna: stal węglowa / grafit / taśma kwasoodporna
Uszczelka DN65 PN10/16 EN1514-2 EG 316L spiralna
- ciśnienie: PN10/16
- temperatura: – 110*C do + 450*C
- uszczelka spiralna: stal węglowa / grafit / taśma kwasoodporna
Uszczelka DN100 PN10/16 EN1514-2 EG 316L spiralna Spiral Wound Gasket stalowa stal nierdzewna
- ciśnienie: PN10/16
- temperatura: – 110*C do + 450*C
- uszczelka spiralna: stal węglowa / grafit / taśma kwasoodporna
Przedłużka 1'' NPT 316L kl.3000
- atest 3.1
- pochodzenie: Unia Europejska
Śrubunek 3/8'' BSP GZ-GW 316L kl.3000
- uszczelnienie: stożkowe (metal-metal)
- gatunek: 316L (1.4404)
- gwint: wewnętrzno - zewnętrzny
- towar z atestem 3.1
Uszczelka DN40 PN10/40 EN1514-2 EG 316L spiralna Spiral Wound Gasket stalowa stal nierdzewna
- ciśnienie: PN10/16
- temperatura: – 110*C do + 450*C
- uszczelka spiralna: stal węglowa / grafit / taśma kwasoodporna
Uszczelka DN80 PN10/16 EN1514-2 EG 316L spiralna Spiral Wound Gasket stalowa stal nierdzewna
- ciśnienie: PN10/16
- temperatura: – 110*C do + 450*C
- uszczelka spiralna: stal węglowa / grafit / taśma kwasoodporna
WELDOLET redukcyjny XS 1/2'' x 3''-8'' BW A105
wymiar A = 18,1mm
wymiar B = 24,0mm
WELDOLET redukcyjny XS 2'' x 3'' - 4'' BW A105
Kolano 1/2'' socket weld 304L kl.3000 90st.
- kolano do spawania
- do wysokiego ciśnienia 206bar
- atest 3.1
Redukcja 1'' - 1 1/2'' NPT 304 kl.3000 GZ GW adapter
Uszczelka DN80/2 PN40 AF300 uszczelka płaska bezazbestowa żółta AF-300
- zastosowanie: instalacje wodne i parowe, motoryzacja, woda, para wodna, roztwory soli, słabych kwasów i zasad
Uszczelka DN25/2 PN40 AF300 uszczelka płaska bezazbestowa żółta AF-300
- zastosowanie: instalacje wodne i parowe, motoryzacja, woda, para wodna, roztwory soli, słabych kwasów i zasad
Uszczelka DN150/2 PN16 AF300 uszczelka płaska bezazbestowa żółta AF-300
- zastosowanie: instalacje wodne i parowe, motoryzacja, woda, para wodna, roztwory soli, słabych kwasów i zasad
Tuleja z brązu Fi 380x325x370 mm gat. B-101 rura z brązu B101 380 - 325 - 370
Mufa 1'' żeliwo ocynk
Mufa 1/2'' BSP A105 kl.3000
- mufa do spawania
- wysokociśnieniowa do 206bar
- atest 3.1
Mufa 1/2'' stalowa do spawania
Mufa 1/2'' NPT 1.4571 316Ti
Mufa 1/2'' NPT A105 kl.3000
- mufa do spawania
- wysokociśnieniowa
- atest 3.1
Mufa 1/2'' NPT A105 kl.6000 stalowa
- mufa stalowa wysokociśnieniowa
- stal do spawania
- atest 3.1
Mufa 1/2'' żeliwo ocynk
Mufa 1/2" stalowa hydrauliczna
- rodzaj gwintu: calowy
- mufa stalowa do wysokiego ciśnienia
Mufa 1/2" x 3/8" żeliwo ocynk
Mufa 1/4'' BSPT A105 kl.3000 stalowa
- stal kotłowa do spawania
- gwint stożkowy BSPT (wg. ISO7Rc)
- do wysokiego ciśnienia 206bar
- atest 3.1
Mufa 1/4'' NPT 304L kl.3000
- mufa ze stali nierdzewnej
- do wysokiego ciśnienia: 206bar
- atest 3.1
- pochodzenie: Unia Europejska
Mufa 1/4'' NPT A105 kl.3000
- mufa do spawania
- wysokociśnieniowa
- atest 3.1
Mufa 1/4'' żeliwo ocynk
Mufa 1/4" stalowa hydrauliczna
- rodzaj gwintu: calowy
- mufa stalowa do wysokiego ciśnienia
Mufa 1/8'' BSP 1.4408 stal nierdzewna gwint wewnętrzny G-X6CrNiMo1810 316C16
Mufa 1/8'' NPT 304L kl.3000
- mufa ze stali nierdzewnej
- do wysokiego ciśnienia: 206bar
- atest 3.1
- pochodzenie: Unia Europejska
Mufa 1/8'' NPT A105 kl.3000
- mufa do spawania
- wysokociśnieniowa
- atest 3.1
Mufa 1/8'' stalowa do spawania
Mufa 1/8'' BSP długa 33mm stalowa
Półmufa 1/2" socket weld A105 kl.6000
- półmufa do spawania rur
- atest 3.1
Trójnik 1 1/2'' x 1 1/4'' socket weld A105 kl.3000
- trójnik do spawania rur
- stal kotłowa
- atest 3.1
- pochodzenie: Unia Europejska
Mufa 3/8" socket weld 316L kl.3000
Profil spawany z polipropylenu PP Etraprop Grey element wg rysunku spawnie plastiku tworzywa sztucznego
SOCKOLET 1/2'' x 2''-2 1/2'' SW A105 kl.3000 OUTLET
SOCKOLET 1'' x 3''-3 1/2'' SW A105 kl.3000 OUTLET
Redukcja 1 1/2''x 1/2'' NPT nakrętno-wkrętna 6-kątna WZ
- stal A105 (P245GH P265GH P285GH)
- redukcja wysokociśnieniowa
- atest 3.1
Kołnierz szyjkowy 6" 300lbs A105 OWN RF STD
Uszczelka 16'' 150Lbs wg ASME B16.20 Spiral Wound Gasket CS/316L-EG/316L
- ciśnienie: PN40
- temperatura: – 110*C do + 450*C
- uszczelka spiralna: stal węglowa ocynk / grafit / taśma kwasoodporna
Rura 76,1x4mm nierdzewna kwasoodporna INOX 100cm
Nypel 4'' nierdzewny 316
Króciec 3/4'' NPT 100mm A333
Mufa 1'' NPT P355NH A350 LF2 kl.3000
- temperatura pracy - 46 stop. C do +343 stop.C
- mufa do wysokiego ciśnienia
- atest 3.1
- pochodzenie: Unia Europejska
Mufa 2'' NPT A105 kl.3000
- mufa do spawania
- wysokociśnieniowa
- atest 3.1
Mufa 3/4'' stalowa do spawania
Mufa 3/4'' BSP A105 kl.3000
- mufa do spawania
- wysokociśnieniowa do 206bar
- atest 3.1
Mufa 3/4'' BSPT A105 kl.3000 stalowa
- stal kotłowa do spawania
- gwint stożkowy BSPT (wg. ISO7Rc)
- do wysokiego ciśnienia 206bar
- atest 3.1
Mufa 2'' BSPT A105 kl.3000 stalowa
- stal kotłowa do spawania
- gwint stożkowy BSPT (wg. ISO7Rc)
- do wysokiego ciśnienia 206bar
- atest 3.1
Mufa 1/2'' NPT P355NH A350 LF2 kl.3000
-
- temperatura pracy - 46 stop. C do +343 stop.C
- mufa do wysokiego ciśnienia
- atest 3.1
- pochodzenie: Unia Europejska
Mufa 3/4" x 3/8" żeliwo ocynk
Korek 1 1/2" NPT A105 kl.3000
- korek wysokociśnieniowy
- atest 3.1
Mufa M18x1,5 stalowa hydrauliczna
- rodzaj gwintu: metryczny
- mufa stalowa do wysokiego ciśnienia
Mufa redukcyjna 1'' x 1 1/2'' NPT 3000 A105 stalowa
- ciśnienie: 260 bar
- atest 3.1
Mufa 2 1/2'' BSP A105 kl.3000
- mufa do spawania
- wysokociśnieniowa do 206bar
- atest 3.1
Korek 3/8" NPT A105 kl.3000
Korek 1/8" NPT A105 kl.3000
- korek wysokociśnieniowy
- atest 3.1
Mufa redukcyjna 1/4''- 3/8'' BSP stalowa
- mufa stalowa wysokociśnieniowa
Mufa 3/8'' NPT 304L kl.3000
- mufa ze stali nierdzewnej
- do wysokiego ciśnienia: 206bar
- atest 3.1
- pochodzenie: Unia Europejska
Korek 1 1/4'' NPT A105 kl.3000
- korek wysokociśnieniowy
- rozmiar: 5/4''
- atest 3.1
Mufa redukcyjna 1'' x 3/4'' NPT 3000 A105 stalowa
- ciśnienie: 260 bar
- atest 3.1
Mufa 3/4'' żeliwo ocynk
Mufa 4'' żeliwo ocynk
Mufa redukcyjna 2'' x 3'' NPT 3000 A105 stalowa
- ciśnienie: 260 bar
- atest 3.1
Nypel 3/4'' NPT kl. 3000 A105 złączka
- stal A105 (P245GH P265GH P285GH)
- nypel kotłowy wysokociśnieniowy
- klasa 3000lbs
- stal do spawania
- gwint NPT
Nypel 1 1/2'' NPT kl. 3000 A105 złączka
- wymiar: 3/2'' ( DN40 )
Nypel 1/4'' NPT kl. 3000 A105 złączka
Nypel NPT klasa 3000 A105
- stal A105 (P245GH P265GH P285GH)
- nypel kotłowy wysokociśnieniowy
- klasa 3000
- stal do spawania
- gwint NPT
Redukcja 1''x3/4'' NPT nakrętno-wkrętna 6-kątna WZ
- stal A105 (P245GH P265GH P285GH)
- redukcja wysokociśnieniowa
- atest 3.1
Kolano nyplowe 2'' NPT A105 90st. 206bar
- kolano stalowe gwintowane
- atest 3.1
- pochodzenie: Unia Europejska
Kolano nyplowe 1'' NPT A105 90st. 206bar
- kolano stalowe gwintowane
- atest 3.1
- pochodzenie: Unia Europejska
Kolano nyplowe 1 1/2'' NPT A105 90st. 206bar
- kolano stalowe gwintowane
- atest 3.1
- pochodzenie: Unia Europejska
Nypel redukcyjny 1''x1 1/2'' NPT 206bar A105
- nypel wysokociśnieniowy 1''x5/2''
Nypel redukcyjny 3/4''x1 1/2'' NPT 206bar A105
- nypel wysokociśnieniowy 3/4''x5/2''
Nypel redukcyjny 3/4''x1'' NPT 206bar A105
Nypel redukcyjny 1/2''x 3/4'' NPT 206bar A105
- nypel wysokociśnieniowy
- atest 3.1
Mufa 3'' BSP A105 kl.3000
- szerokość: 108mm
Mufa 3/4'' NPT A105 kl.6000 stalowa
- mufa stalowa wysokociśnieniowa
- stal do spawania
- atest 3.1
Korek 1/4'' NPT nierdzewny 304L
Redukcja 1''-1 1/4'' GW-GZ NPT A105 kl.3000
-
- atest 3.1
- pochodzenie: Unia Europejska
Redukcja 1/2''x3/4'' NPT nakrętno-wkrętna 6-kątna WZ
Redukcja NPT klasa 3000 A105
- stal A105 (P245GH P265GH P285GH)
Redukcja 1/2''x3/4'' NPT 304L nakrętno-wkrętna 6-kątna
- stal nierdzewna 304L (1.4307)
Końcówka na wąż 5/16'' gwint 1/4'' NPT stal
Nypel redukcyjny 1''x2'' NPT 206bar A105
- nypel wysokociśnieniowy 1x2
- atest 3.1
Mufa 1/2'' BSP nierdzewna 1.4571 316Ti
Mufa 1/2" S355J2 kl.3000 NPT
Mufa 1/4'' NPT P355NH A350 LF2 kl.3000
- temperatura pracy - 46 stop. C do +343 stop.C
- mufa do wysokiego ciśnienia
- atest 3.1
- pochodzenie: Unia Europejska
Mufa 3/4'' NPT P355NH A350 LF2 kl.3000
-
- temperatura pracy - 46 stop. C do +343 stop.C
- mufa do wysokiego ciśnienia
- atest 3.1
- pochodzenie: Unia Europejska
Króciec 1/4'' NPT 100mm A333
Króciec 1/2'' NPT 100mm A333
Króciec 1'' NPT 100mm A333
Mufa 1/2'' NPT 304L kl.3000
- mufa ze stali nierdzewnej
- do wysokiego ciśnienia: 206bar
- atest 3.1
- pochodzenie: Unia Europejska
Nypel 3/4'' BSP - NPT stalowy
- materiał: stal galwanizowana
- wysokociśnieniowa
Nypel 1/4'' - 1/2'' NPT 316L kl.3000
Nypel redukcyjny 3/8'' - 1/2'' NPT 316L kl.3000
Uszczelka DN600 PN 6 x 3mm GYLON3510 DIMER IBC uszczelka płaska EN 1514-1
- max. ciśnienie pracy: PN83
- temperatura: max. -268°C +260 °C
- media: ropa naftowa i gaz, para wodna, silnie żrące i toksyczne chemikalia , umiarkowane kwasy ,chlor, amoniak, węglowodory i fluorek glinu:
Uszczelka DN65 PN10-40 TEMAGRAPH Ti grafit
- temperatura: -200 +450 °C
- uszczelka płaska grafitowa
- zastosowanie: urządzenia parowe, przemysł chemiczny, przemysł petrochemiczny itp.
- uszczelka do kołnierza, flanszy
Uszczelka DN80 PN40 3mm TEMAGRAPH Ti grafit
- temperatura: -200 +450 °C
- uszczelka płaska grafitowa
- zastosowanie: urządzenia parowe, przemysł chemiczny, przemysł petrochemiczny itp.
- uszczelka do kołnierza, flanszy
Uszczelka DN15 PN40 TEMAGRAPH Ti grafit
- temperatura: -200 +450 °C
- uszczelka płaska grafitowa
- zastosowanie: urządzenia parowe, przemysł chemiczny, przemysł petrochemiczny itp.
- uszczelka do kołnierza, flanszy
Uszczelka DN20 PN40 3mm TEMAGRAPH Ti grafit
- temperatura: -200 +450 °C
- uszczelka płaska grafitowa
- zastosowanie: urządzenia parowe, przemysł chemiczny, przemysł petrochemiczny itp.
- uszczelka do kołnierza, flanszy
Uszczelka DN25 PN16 TEMAGRAPH Ti grafit
- temperatura: -200 +450 °C
- uszczelka płaska grafitowa
- zastosowanie: urządzenia parowe, przemysł chemiczny, przemysł petrochemiczny itp.
- uszczelka do kołnierza, flanszy
Uszczelka DN15 PN16 TEMAFAST ECONOMY
- Maksymalna temp pracy chwilowej 210*C
- Maksymalna temp pracy ciągłej 140*C
- Maksymalna temp pracy ciągłej z parą wodną 120*C
- Medium: woda zimna, woda gorąca, para wodna, alkohol, roztwory soli, słabe kwasy i zasady
Uszczelka DN25 PN16 TEMAFAST ECONOMY
- medium: woda zimna, woda gorąca, para wodna, alkohol, roztwory soli, słabe kwasy i zasady
Mufa 1 1/4" x 1/2" żeliwo ocynk
Mufa 1 1/4" x 3/4" żeliwo ocynk
Mufa 1 1/4" x 1" żeliwo ocynk
Mufa 1 1/2" x 3/4" żeliwo ocynk
Mufa 1 1/2" x 1" żeliwo ocynk
Mufa 1 1/2" x 1 1/4" żeliwo ocynk
Mufa 2 1/2" socket weld A105 kl.3000
- mufa do spawania
- łącznik do spawania rur
- atest 3.1
Mufa 3" socket weld A105 kl.3000
- mufa do spawania
- łącznik do spawania rur
- atest 3.1
Kolano 1'' socket weld 304L kl.3000 90st.
- kolano do spawania
- do wysokiego ciśnienia 206bar
- atest 3.1
Mufa nierdzewna 1/2'' x 1/8'' 316 BSP
- stal nierdzewna gat. 316
Mufa redukcyjna 3/4'' x 1/4'' nierdzewna 316 BSP
- stal nierdzewna gat. 316
Przedłużka 1/4''x1/8'' żeliwo ocynk redukcja
- żeliwo ocynkowane
Mufa redukcyjna 1'' x 1/2'' nierdzewna 316 BSP
- stal nierdzewna gat. 316
Mufa redukcyjna 1.1/4'' x 3/4'' nierdzewna gat. 316 BSP
- stal nierdzewna gat. 316
Mufa redukcyjna 1 1/2'' x 1'' nierdzewna gat. 316 BSP
- stal nierdzewna gat. 316
Mufa redukcyjna 2'' x 1 1/4'' nierdzewna gat. 316 BSP
- stal nierdzewna gat. 316
Przedłużka 1 1/4''x1/2'' żeliwo ocynk redukcja
- żeliwo ocynkowane
Przedłużka 2 1/2''x2'' żeliwo ocynk redukcja
- żeliwo ocynkowane
Przedłużka 1'' żeliwo ocynk redukcja
- żeliwo ocynkowane
Śrubunek kątowy 3/8'' żeliwo ocynk GW-GZ
- żeliwo ocynkowane
Śrubunek kątowy 1 1/2'' żeliwo ocynk GW-GZ
- żeliwo ocynkowane
Śrubunek kątowy 3/8'' żeliwo ocynk GW-GW
- żeliwo ocynkowane
Śrubunek kątowy 3/4'' żeliwo ocynk GW-GW
- żeliwo ocynkowane
Śrubunek kątowy 1 1/4'' żeliwo ocynk GW-GW
- żeliwo ocynkowane
Nypel 1/2'' NPT nierdzewny 316L 206bar
- nypel wysokociśnieniowy
- atest 3.1
Nypel 3/4'' NPT nierdzewny 316L 206bar
- wg normy BS3799
- gwint stożkowy NPT
Śrubunek kątowy 1 1/2'' żeliwo ocynk
- żeliwo ocynkowane
Łuk długi 3/8'' żeliwo ocynk 90 stopni
Łuk długi 1'' żeliwo ocynk 90 stopni
Nypel 1'' NPT nierdzewny 316L 206bar
- wg normy BS3799
- gwint stożkowy NPT
- nypel wysokociśnieniowy
- atest 3.1
Łuk krótki 3/8'' żeliwny ocynkowany 45 stopni GW-GZ
- kąt 45 stopni
Nypel 1/4'' NPT nierdzewny 316L 206bar
- nypel wysokociśnieniowy
- atest 3.1
Łuk krótki 1 1/2'' żeliwo ocynk 45 stopni GW-GZ
- kąt 45 stopni
Łuk krótki 2 1/2'' żeliwny ocynkowany 45 stopni GW-GZ
- kąt 45 stopni
Łuk krótki 4'' żeliwny ocynkowany 45 stopni GW-GZ
- kąt 45 stopni
Zaślepka 1/4'' NPT 316L kl.3000
- zaślepka wysokociśnieniowa
- stal nierdzewna
- wykonanie wg. ANSI B16.11
Zaślepka 3/4'' NPT 316L kl.3000
- zaślepka wysokociśnieniowa
- stal nierdzewna
- wykonanie wg. ANSI B16.11
- atest 3.1
Zaślepka 1'' NPT 316L kl. 3000
- wysokociśnieniowa
- stal nierdzewna
- wg. ANSI B16.11
Mufa 1/4'' BSP A105 kl.3000
- wysokociśnieniowa
- gwint standardowy polski
- atest 3.1
Trójnik 2 1/2'' socket weld A105 kl.6000
Nypel 1/2'' do wspawania 316L
Nypel 3/4'' do wspawania 316L
Nypel 1 1/4'' do wspawania 316L
Nypel 3/8'' do wspawania 316L
Nypel 1 1/2'' do wspawania 316L
Nypel 4'' do wspawania 316L
Śrubunek 1'' NPT GZ-GW 316L kl.3000
- uszczelnienie: stożkowe (metal-metal)
- ciśnienie: 206 bar
- gatunek: 316L (1.4404)
- gwint: wewnętrzno - zewnętrzny
- towar z atestem 3.1
Śrubunek 1'' BSP A105 206bar
Półmufa 3/4" NPT 206bar A105
- półmufa do spawania
- atest 3.1
Półmufa 1/2" NPT 206bar A105
- półmufa do spawania
- atest 3.1
Półmufa 1" NPT 206bar A105
- półmufa do spawania
- atest 3.1
Półmufa 3/4" NPT 413bar A105
Mufa 1 1/2'' BSP 316L kl.3000 206bar
- mufa wysokociśnieniowa (206bar)
- atest 3.1
- pochodzenie: Unia Europejska
Mufa 1 1/4'' BSP 316L kl.3000 206bar
- mufa wysokociśnieniowa (206bar)
- atest 3.1
Mufa 1'' NPT 316L 413bar
- klasa ciśnieniowa: 6000lbs (tj. 413bar)
- atest 3.1
- pochodzenie: Unia Europejska
Zaślepka 1/2'' NPT 316L kl.3000
- wysokociśnieniowa
- stal nierdzewna
- wg. ANSI B16.11
- atest 3.1
Nypel 1/4'' do wspawania 316L
Nypel 1'' do wspawania 316L
Nypel 2'' do wspawania 316L
Nypel 2 1/2'' do wspawania 316L
Nypel 3'' do wspawania 316L
Uszczelka 8'' 150Lbs wg ASME B16.20 Spiral Wound Gasket C/I CS/316L-EG/316L
Uszczelka 14'' 300Lbs 316L/316L-EG/316L wg ASME B16.20 Spiral Wound Gasket
Uszczelka 2'' 300Lbs 316L/316L-EG/316L wg ASME B16.20 Spiral Wound Gasket
Kolano 1 1/4'' socket weld 316L kl.3000 45st.
- kolano do spawania
- do wysokiego ciśnienia 206bar
- atest 3.1
Mufa 3/8'' stalowa do spawania
Mufa 3/4" x 1/2'' żeliwo ocynk
Mufa M16x1,5 stalowa hydrauliczna
- rodzaj gwintu: metryczny
- mufa stalowa do wysokiego ciśnienia
Mufa M14x1,5 stalowa hydrauliczna
- rodzaj gwintu: metryczny
- mufa stalowa do wysokiego ciśnienia
Mufa M22x1,5 stalowa hydrauliczna
- rodzaj gwintu: metryczny
- mufa stalowa do wysokiego ciśnienia
Mufa 3/4" stalowa hydrauliczna
- rodzaj gwintu: calowy
- mufa stalowa do wysokiego ciśnienia
Mufa 3/8" stalowa hydrauliczna
- rodzaj gwintu: calowy
- mufa stalowa do wysokiego ciśnienia
Mufa 3/8'' NPT 316Ti nierdzewna
Mufa 3/8'' NPT A105 kl.3000
- mufa do spawania
- wysokociśnieniowa
- atest 3.1
Mufa 3/4'' NPT A105 kl.3000
- mufa do spawania
- wysokociśnieniowa
- atest 3.1
Mufa 3'' stalowa do spawania
Mufa 3/4'' NPT 304L kl.3000
- mufa ze stali nierdzewnej
- do wysokiego ciśnienia: 206bar
- atest 3.1
- pochodzenie: Unia Europejska
Mufa 1/2" x 1'' NPT 206bar A105
- mufa wysokociśnieniowa
- klasa: 3000lbs (206bar)
- atest 3.1
Mufa 2'' żeliwno ocynk
Mufa 1/8'' żeliwo ocynk
Mufa 3/8'' żeliwo ocynk
Mufa 2 1/2'' żeliwo ocynk
Mufa 3'' żeliwo ocynk
Mufa 4'' stalowa do spawania
Mufa 2 1/2'' x 1'' BSP kl. 3000 A105 stalowa
- mufa do spawania
- atest 3.1
- pochodzenie: Unia Europejska
Mufa 3/8'' BSP A105 kl.3000
- mufa do spawania
- wysokociśnieniowa do 206bar
- atest 3.1
Mufa 2'' BSP A105 kl.3000
- mufa do spawania
- wysokociśnieniowa do 206bar
- atest 3.1
Mufa 3'' NPT A105 kl.3000
- mufa do spawania
- wysokociśnieniowa
- atest 3.1
Mufa M20x1,5 stalowa hydrauliczna
- rodzaj gwintu: metryczny
- mufa stalowa do wysokiego ciśnienia
Mufa 1/8'' BSP 304L 206bar
- mufa wysokociśnieniowa
- atest 3.1
- pochodzenie: Unia Europejska
Złączka redukcyjna 1/2'' - 1/4'' nierdzewna 304
Mufa 2'' NPT gat. 304L kl. 3000
- mufa ze stali nierdzewnej
- do wysokiego ciśnienia: 206bar
- atest 3.1
- pochodzenie: Unia Europejska
Mufa 1/4" x 1/8" żeliwo ocynk
Mufa 3/8" x 1/8" żeliwo ocynk
Mufa 3/8" x 1/4" żeliwo ocynk
Mufa 1/2" x 1/4" żeliwo ocynk
Mufa 3/4" x 1/4" żeliwo ocynk
Mufa 1" x 3/8" żeliwo ocynk
Mufa 1" x 1/2" żeliwo ocynk
Mufa 1" x 3/4" żeliwo ocynk
Mufa 2" x 1/2" żeliwo ocynk
Mufa 2" x 3/4" żeliwo ocynk
Mufa 2" x 1" żeliwo ocynk
Mufa 2" x 1 1/4" żeliwo ocynk
Mufa 2" x 1 1/2" żeliwo ocynk
Mufa 2 1/2" x 1 1/4" żeliwo ocynk
Mufa 2 1/2" x 1 1/2" żeliwo ocynk
Mufa 2 1/2" x 2" żeliwo ocynk
Mufa 3" x 1 1/2" żeliwo ocynk
Mufa 3" x 2" żeliwo ocynk
Mufa 3" x 2 1/2" żeliwo ocynk
Mufa 4" x 2" żeliwo ocynk
Mufa 4" x 2 1/2" żeliwo ocynk
Mufa 4" x 3" żeliwo ocynk
Mufa 1'' stalowa BSP S355J2
- mufa do niskiej temperatury - 46 stop. C
- do wysokiego ciśnienia
Mufa 1/2'' stalowa BSP S355J2
Mufa 3/4'' stalowa BSP S355J2
- mufa do niskiej temperatury - 46 stop. C
- do wysokiego ciśnienia
Mufa 1/4'' stalowa BSP S355J2
- mufa do niskiej temperatury - 46 stop. C
- do wysokiego ciśnienia 206bar
Mufa redukcyjna 1/4'' x 1/8'' nierdzewna 316 BSP
- stal nierdzewna gat. 316
Mufa redukcyjna 3/8'' x 1/4'' nierdzewna 316 BSP
- stal nierdzewna gat. 316
Mufa redukcyjna 1/2'' x 1/4'' nierdzewna 316 BSP
- stal nierdzewna gat. 316
Mufa redukcyjna 1/2'' x 3/8'' nierdzewna
- stal nierdzewna gat. 316
Mufa redukcyjna 3/4'' x 3/8'' nierdzewna 316 BSP
- stal nierdzewna gat. 316
Mufa redukcyjna 3/4'' x 1/2'' nierdzewna 316 BSP
- stal nierdzewna gat. 316
Mufa redukcyjna 1'' x 3/4'' nierdzewna 316 BSP
- stal nierdzewna gat. 316
Mufa redukcyjna 1 1/4'' x 1/2'' nierdzewna gat. 316 BSP
- stal nierdzewna gat. 316
Mufa redukcyjna 1 1/4'' x 1'' nierdzewna gat. 316 BSP
- stal nierdzewna gat. 316
Mufa redukcyjna 1 1/2'' x 3/4'' nierdzewna gat. 316 BSP
- stal nierdzewna gat. 316
Mufa redukcyjna 1 1/2'' x 1 1/4'' nierdzewna gat. 316 BSP
- stal nierdzewna gat. 316
Mufa redukcyjna 2'' x 1'' nierdzewna gat. 316 BSP
- stal nierdzewna gat. 316
Mufa redukcyjna 2'' x 1 1/2'' nierdzewna gat. 316 BSP
- stal nierdzewna gat. 316
Mufa redukcyjna 2 1/2'' x 2'' nierdzewna gat. 316 BSP
- stal nierdzewna gat. 316
Mufa redukcyjna 2 1/2'' x 1 1/2'' nierdzewna gat. 316
- stal nierdzewna gat. 316
Mufa redukcyjna 3'' x 2'' nierdzewna gat. 316 BSP
- stal nierdzewna gat. 316
Mufa redukcyjna 3'' x 2 1/2'' nierdzewna gat. 316 BSP
- stal nierdzewna gat. 316
Mufa redukcyjna 4'' x 3'' nierdzewna gat. 316 BSP
- stal nierdzewna gat. 316
Mufa 2 1/2'' NPT A105 kl.3000
- mufa do spawania
- wysokociśnieniowa
- atest 3.1
Mufa 1 1/4'' BSP A105 kl.3000
- mufa do spawania
- wysokociśnieniowa do 206bar
- atest 3.1
Mufa redukcyjna 1 1/4'' x 1 1/2'' NPT 3000 A105 stalowa
Mufa 1 1/4'' BSP 206bar 304L 1.4307
- mufa wysokociśnieniowa (206bar)
- atest 3.1 (bezpłatny)
- pochodzenie: Unia Europejska
Mufa redukcyjna 3/4''- 1'' BSP stalowa
- mufa stalowa wysokociśnieniowa
Mufa 3/8'' BSPT A105 kl.3000 stalowa
- stal kotłowa do spawania
- gwint stożkowy BSPT (wg. ISO7Rc)
- do wysokiego ciśnienia 206bar
- atest 3.1
Mufa redukcyjna 1/4''x1/2'' NPT stalowa
Kolano 1'' socket weld 316L kl.3000 45st.
- kolano do spawania
- do wysokiego ciśnienia 206bar
- atest 3.1
Kolano 1'' socket weld 316L kl.3000 90st.
- kolano do spawania
- do wysokiego ciśnienia 206bar
- atest 3.1
Śrubunek kątowy 1/2'' 90st GW 316 stożkowy
Śrubunek kątowy 3/4'' 90st GW 316 stożkowy
Śrubunek kątowy 1 1/4'' 90st GW 316 stożkowy
Śrubunek kątowy 1 1/2'' 90st GW 316 stożkowy
Śrubunek kątowy 2'' 90st GW 316 stożkowy
Króciec 2'' NPT 100mm A106
Kolano 1 1/4'' socket weld 316L kl.3000 90st.
- kolano do spawania
- do wysokiego ciśnienia 206bar
- atest 3.1
Uszczelka 12” 150Lbs wg ASME B16.20 Spiral Wound Gasket C/I 316L/316L+Graphite/316L
- uszczelka spiralna: stal nierdzewna / grafit / stal nierdzewna
Mufa 2 1/2'' NPT 304L kl.3000
- mufa ze stali nierdzewnej
- do wysokiego ciśnienia: 206bar
- atest 3.1
- pochodzenie: Unia Europejska
Mufa 1/2'' BSP stal nierdzewna 316
Nypel 3/4''x1'' NPT galwanizowany A105 kl.3000
- atest 3.1
- pochodzenie: Unia Europejska
Trójnik 3/8'' socket weld 316L kl. 3000
- trójnik do spawania
- stal nierdzewna
- atest 3.1
- pochodzenie: Unia Europejska
Trójnik kielichowy do spawania DN40 na rurę fi zewn. 48.3mm
Przepustnica TF DN40 PN10/16 UNITECH
Kołnierz szyjkowy DN40 PN40 48,3mm P250GH
Kolano 1 1/2'' NPT 304L kl.3000 206bar
- kolano nierdzewne wysokociśnieniowe
- atest 3.1
Uszczelka DN40 PN10-16 TEMAGRAPH Ti grafit
- temperatura: -200 +450 °C
- uszczelka płaska grafitowa
- zastosowanie: urządzenia parowe, przemysł chemiczny, przemysł petrochemiczny itp.
- uszczelka do kołnierza, flanszy
Uszczelka DN40 PN10-40 C-4400 KLINGER SIL uniwersalne do wysokiego ciśnienia
- zastosowanie: instalacje przemysłowe, przemysł chemiczny, przemysł spożywczy, instalacje w wodą pitną, oleje, woda, para, kwasy organiczne, kwasy nieorganiczne, roztwory soli, węglowodory itp.
Uszczelka DN400 PN10 EN1514-1 C-4400 KLINGER SIL uniwersalne do wysokiego ciśnienia
- zastosowanie: instalacje przemysłowe, przemysł chemiczny, przemysł spożywczy, instalacje w wodą pitną, oleje, woda, para, kwasy organiczne, kwasy nieorganiczne, roztwory soli, węglowodory itp.
Trójnik skrętny na rurę 15mm nierdzewny
Mufa 2''- 3'' socket weld A105 kl.3000
- mufa do spawania
- łącznik do spawania rur
- atest 3.1
Mufa 3/4" socket weld 316L kl.3000
- mufa do spawania
- atest 3.1
- pochodzenie: Unia Europejska
Korek 1 1/2'' NPT stal nierdzewna 316L
Półmufa 2" NPT 206bar A105
- ciśnienie: 206 bar
- atest 3.1
Półmufa 1/4" kl. 3000 NPT 316
- ciśnienie: 206 bar
Półmufa 1/2" kl. 3000 NPT 316
- ciśnienie: 206 bar
Mufa 1 1/4'' stalowa do spawania
Półmufa 1" NPT 316L kl.3000
- ciśnienie: 206 bar
Mufa 2 1/2'' NPT 316L kl.3000
Półmufa 1'' socket weld 304L kl.3000
- półmufa do spawania
- atest 3.1
Kolano 3/4'' socket weld 316L kl.3000 90st.
- kolano do spawania
- do wysokiego ciśnienia 206bar
- atest 3.1
Zaślepka 1'' socket weld 304L kl.3000
- zaślepka do spawania
- stal nierdzewna
- atest 3.1 (bezpłatny)
- pochodzenie: Unia Europejska
Nypel 1 1/4'' nierdzewny 316
- nypel 5/4'' nierdzewny
Redukcja 3/8''x1 1/4'' Insert socket weld 316L 3000
Redukcja 3/4''x1 1/4'' Insert socket weld 316L 3000
Mufa 1 1/4'' BSP stal nierdzewna 316
Nypel redukcyjny 1 1/4'' x 1/2'' nierdzewny 316
Nypel redukcyjny 1 1/4'' x 3/4'' nierdzewny 316
Nypel redukcyjny 1 1/4'' x 1'' nierdzewny 316
Nypel redukcyjny 1 1/2'' x 1 1/4'' nierdzewny 316
Nypel redukcyjny 2'' x 1 1/4'' nierdzewny 316
Kolano nierdzewne 1 1/4'' gat. 316
Redukcja 1 1/4''x1/2'' 316 nakrętno wkrętna
- stal nierdzewna
Redukcja 1 1/4''x3/4'' 316 nakrętno wkrętna
- stal nierdzewna
Redukcja 1 1/4''x1'' 316 nakrętno wkrętna
- stal nierdzewna
Redukcja 1 1/2''x1 1/4'' 316 nakrętno wkrętna
- stal nierdzewna
Redukcja 2''x1 1/4'' 316 nakrętno wkrętna
- stal nierdzewna
Zawór kulowy 1 1/4" nyplowy stal nierdzewna 316 64bar
- stal nierdzewna
- ciśnienie: 50 bar
Korek 1 1/4'' stal nierdzewna 316
Zaślepka 1 1/4'' stal nierdzewna 316
- stal szlachetna 316
Zawór kulowy 1 1/4'' stal nierdzewna 316 63bar
- zawór nierdzewny
Trójnik 1 1/4''x1'' socket weld 304L kl.3000
- trójnik redukcyjny wysokociśnieniowy 5/4''x1''
- atest 3.1
- pochodzenie: Unia Europejska
Śrubunek 1 1/4'' socket weld A105 kl.3000
- śrubunek wysokociśnieniowy do spawania
- atest 3.1
- pochodzenie: Unia Europejska
Korek 1 1/4'' NPT stal nierdzewna 316L
Sockolet 1/2" x 11/4'' - 11/2'' 316L kl. 3000
Rura nierdzewna 1 1/4'' 100cm 304L 42,16x3,56mm
Redukcja 1 1/4''x1'' NPT 316L nakrętno-wkrętna 6-kątna
- stal nierdzewna 316L
Półmufa 1 1/4" NPT 304L kl.3000
- ciśnienie: 206 bar
Nypel nierdzewny 1 1/4'' BSP 316L kl. 3000
Redukcja 2''x1 1/2'' NPT nakrętno-wkrętna 6-kątna WZ
- stal A105 (P245GH P265GH P285GH)
- redukcja wysokociśnieniowa
- atest 3.1
Mufa 2" socket weld A105 kl.3000
Śrubunek 1 1/2'' socket weld 316L kl.3000
- śrubunek do spawania
Kolano 1/2'' NPT 304L kl.3000 206bar
- certificate 3.1 at the request of the customer (free of charge)
- origin: European Union
Kolano nierdzewne 1/4'' 45 stopni
Mufa 2'' BSP 206bar 304L 1.4307
- mufa wysokociśnieniowa (206bar)
- atest 3.1 (bezpłatny)
- pochodzenie: Unia Europejska
Mufa 2 1/2'' BSPT A105 kl.3000 stalowa
- stal kotłowa do spawania
- gwint stożkowy BSPT (wg. ISO7Rc)
- do wysokiego ciśnienia 206bar
- atest 3.1
Kolano nierdzewne 1/2'' 45 stopni
Kolano nierdzewne 3/8'' 45 stopni
Kolano nierdzewne 3/4'' 45 stopni
Kolano nierdzewne 1'' 45 stopni
Kolano nierdzewne 1 1/4'' 45 stopni
Kolano nierdzewne 1 1/2'' 45 stopni
Kolano nierdzewne 2'' 45 stopni
Mufa 3'' NPT 304L kl.3000
- mufa ze stali nierdzewnej
- do wysokiego ciśnienia: 206bar
- atest 3.1
- pochodzenie: Unia Europejska
Mufa 3/4'' BSP nierdzewna 1.4571 316Ti
Redukcja 1 1/4''x1'' NPT 304L nakrętno-wkrętna 6-kątna
Nypel 3'' do wspawania 316L 70mm
Korek 1/4'' BSP stal nierdzewna 316L
- korek wysokociśnieniowy
- atest 3.1
Kolano 1/8'' nierdzewne gat. 316 nyplowe WZ
Kolano 1/4'' nierdzewne gat. 316 nyplowe WZ
Kolano 3/8'' nierdzewne gat. 316 nyplowe WZ
Kolano 1/2'' nierdzewne gat. 316 nyplowe WZ
Kolano 3/4'' nierdzewne gat. 316 nyplowe WZ
Kolano 1'' nierdzewne gat. 316 nyplowe WZ
Kolano 4'' nierdzewne gat. 316 nyplowe WZ
Kolano 1 1/2'' nierdzewne gat. 316 nyplowe WZ
Kolano 2'' nierdzewne gat. 316 nyplowe WZ
Kolano 2 1/2'' nierdzewne gat. 316 nyplowe WZ
Kolano 3'' nierdzewne gat. 316 nyplowe WZ
Króciec 1'' NPT 150mm A333
Śrubunek 1/2'' socket weld 316L kl.3000
- śrubunek do spawania
Uszczelka 3/4'' 150lbs B16.20 CS 316L spiralna Spiral Wound Gasket
- ciśnienie: PN40
- temperatura: – 110*C do + 450*C
- uszczelka spiralna: stal węglowa / grafit / taśma kwasoodporna
Uszczelka fi 8x15x2mm AF300 żółta
- zastosowanie: instalacje wodne i parowe, motoryzacja, woda, para wodna, roztwory soli, słabych kwasów i zasad

