Zaloguj się
379,50 zł
308,54 zł
16,81 zł
13,67 zł
1,25 zł
1,02 zł
5,54 zł
4,50 zł
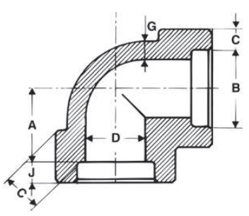
Kolano 1 1/2'' socket weld 316L kl.3000 90st. upłynnienia
Cena regularna:
Cena regularna:
towar niedostępny
dodaj do przechowalni
Opis
Kolano 1 1/2'' socket weld 316L kl.3000 90st. upłynnienia
- rozmiar: 1 1/2''
- kąt: 90 stopni
- rodzaj: socket weld "SW" (tzw. kielichowe)
- klasa ciśnieniowa: 3000lbs (206bar)
- gatunek: 316 / 316L - stal nierdzewna do spawania
- kolano do spawania z wpustem socket weld "SW"
- zastosowanie: instalacje przemysłowe wysokociśnieniowe, instalacje na wysokie temperatury, rafinerie, przemysł morski, przemysł spożywczy, przemysł hutniczy, instalacje o wysokich wymaganiach, okręty, instalacje hydrauliczne
- kształtki kielichowe do wspawania wg normy ANSI B16.11
- UWAGA: brak atestu, upłynnienia

Inna nazwa: kolano kielichowe, kolano wsuwane, kolanko z kieszenią, elbow socket weld, kształtka kątowa, kształtka kielichowa, kolano 1 1/2'' socket weld 316L kl.3000 90st.
Kolano 1 1/2" socket weld 316L kl.3000 90st. upłynnienia
Informacje
Kształtki Socket Weld (SW) należą do grupy „złączek wysokociśnieniowych”, przy czym rura jest spawana we wpuście (kieszeni). Kieszeń zespawana z rurą tworzy szczelną strukturę instalacji. System Socket Weld (SW) gwarantuje bezpieczeństwo, trwałość oraz nierozerwalność instalacji. Dzięki kształtkom SW łatwo możemy dobrać ciśnienie instalacji. Każda kształtka ma wybity rozmiar, gatunek, wytop oraz klasę ciśnieniową. Wszystkie kształtki SW posiadają atesty 3.1.
Zalety: rura nie wymaga fazowania do spawania. Kształtki Socket Weld nie wymagają specjalnych przygotowań, są alternatywą dla złączek gwintowanych.
Wady: niezalecane w instalacjach radioaktywnych.
Dostępne inne rozmiary kolana kielichowego: 1/8’’ – ¼’’ - 3/8’’ - ½’’- ¾’’ – 1’’ – 1 ¼’’ – 1 ½’’ – 2’’ – 2 ½’’ – 3’’ – 3 ½’’ - 4’’
Gatunek stali 316 / 316L – to bardzo popularna stal nierdzewna o wysokiej odporności na korozję. Ma doskonałe właściwości spawalnicze i formujące. Jest jakościowo lepsza od gatunku stali 304.
Inna nazwa gatunku 316: DIN 1.4401 1.4404 SS 316 AISI316 AISI316L SS316 SS316L
Zastosowanie: kształtki kielichowe, kolana kielichowe, trójniki, redukcje, kołnierze, rury, pręty, blachy, płaskowniki, zawory, dennice, wymienniki ciepła, urządzenia farmaceutyczne, mleczarskie, przemysł browarniczy, armatura morska, przybrzeżna architektura, przemysł spożywczy.
Więcej o kształtkach kielichowych znajdziesz tutaj
Na zamówienie dostępne są również inne wymiary kolan socket weld. Skontaktuj się z nami. Zadzwoń na nr tel. 63/2614202 lub prześlij zapytanie na email: biuro@polberis.pl. Przygotujemy dla Państwa ofertę cenową.

